Pelican Parts Forums

Pelican Parts Forums (http://forums.pelicanparts.com/)
-   Porsche 911 Technical Forum (http://forums.pelicanparts.com/porsche-911-technical-forum/)
-   -   What is the best way to increase brightness in gauges? (http://forums.pelicanparts.com/porsche-911-technical-forum/294027-what-best-way-increase-brightness-gauges.html)

Mysterytrain 12-15-2006 12:47 PM

Walt,
I'm thinking that Sal's longer base aka: "the John Holmes extender kit" helps with the light throw by moving the light source closer to the gauge face. This of course has made me wonder about mounting wide angle LED's in the same manner.
Sal, what does the dash look like with 8 five watt lamps? Do you need a welder's mask?

scarceller 12-15-2006 02:55 PM

Quote:

Originally posted by Mysterytrain
Walt,
I'm thinking that Sal's longer base aka: "the John Holmes extender kit" helps with the light throw by moving the light source closer to the gauge face. This of course has made me wonder about mounting wide angle LED's in the same manner.
Sal, what does the dash look like with 8 five watt lamps? Do you need a welder's mask?

Ron, I have not updated all my gauges yet, only the speedo and clock. But once they are all done they should be fine hardwired to 12V (no dimmer). They are bright but no so bright that they are distracting.

I'm also thinking of a design using 2 cheap transistors and 15 to 20 basic diodes for dimming that can handle up to 15amps and use the stock dimmer as the control. More on this later as I will need to breadboard the circuit and bench test first.

scarceller 12-18-2006 07:07 AM

Ron, you posted this link http://www.imtra.com/product/marine_lighting/dimmers/dimmers/iml_rotary_dc_dimmers/ildim_rot10.htm
to a dimmer module and I looked into this product. First, the company is in my neck of the woods. This dimmer is a good choice as you could remove the variable potentiometer and drive it with a 0-5V signal 0V=lights out, 5V=Lights fully on. I think I could easily create a simple voltage divider using some diodes and a 10-ohm 10W resistor that would allow the stock dimmer to be used to drive the input to this device. Not sure I can create 0-5V but I think I could easily generate 2.5V to 5V this would be dash half dim to fully lit. The device is also reasonable in price at $90.00 and it's a marine use device, these are ussually well built.

Our stock Porsche dimmer presents us with issues when trying to generate a voltage like 0-5V because it's a 5ohm potentiometer, this low resistance means lots of current and we don't want this for a simple drive circuit. If you take our stock 5ohm dimmer that has 12V at one end and an output terminal at the other end and then place in series to ground say a 10ohm resitor you would have 12-8v variable voltage between the pot and the resistor, but you would also be drawing 1.2 to .8 amps this is way to much current for a simple voltage devider. So I have another idea. Place 10 diodes in series between the 10ohm and the stock pot, these diodes would sort of eat up .7v each so if you place 10 in series you eat up 7v thus leaving only 5 to 7 volts to be devided between the pot and the 10ohm resistor. So if the pot stock pot is turned to 0ohms and say the supply voltage is 14v then you have 14-7=7volts at the top of the 10ohm resistor but the current would only be .7amps (not bad). Now turn the stock pot to 5ohms and you have a total of 15ohms in series with the 10 diodes, the diodes still drop 7volts and the remaining 7 volts gets split across the 2 loads (5 and 10 ohms) resulting in .47amps with 4.7volts at the top of the 10ohm resistor. So this would be a variable output of 4.7V to 7V with reasonably low current (.7 to .47Amps). Then if you just play with more diodes say 12 or so the voltage swing goes down and so does the current a little but you get the idea. Would need to breadboard this design but I think we could build this circuit with the stock pot and get 2.5 to 5 Volt output.

The circuit looks like this:
12v->StockPot->D1->D2->...->D10->10ohm->GND
and we draw our signal from between D10 and 10ohm.

Kind of long and detailed, but just brain-storming here.

scarceller 12-18-2006 04:50 PM

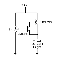
<b>Simple Adjustable Dimmer</b>

Another very simple efficient method of controlling a DC voltage is to use a voltage divider and transistor emitter follower configuration. The figure below illustrates using a 1K pot to set the base voltage of a medium power NPN transistor. The collector of the NPN feeds the base of a larger PNP power transistor which supplies most of the current to the load. The output voltage will be about 0.7 volts below the voltage of the wiper of the 1K pot so the output can be adjusted from 0 to the full supply voltage minus 0.7 volts. Using two transistors provides a current gain of around 1000 or more so that only a couple milliamps of current is drawn from the voltage divider to supply a couple amps of current at the output. In the figure below, the 25 watt/ 12 volt lamp draws about 2 amps at 12 volts and 1 amp at 3 volts so that the power lost when the lamp is dim is around (12-3 volts * 1 amp) = 9 watts. A fairly large heat sink is required to prevent the PNP power transistor from overheating. The power consumed by the lamp will be only (3 volts * 1 amp) = 3 watts which gives us an efficiency factor of only 25% when the lamp is dimmed. The advantage of the circuit is simplicity, and also that it doesn't generate any RF interference as a switching regulator does.

http://forums.pelicanparts.com/uploa...1166489371.gif

Thinking of using something like this for our dimmer. Parts are less than $10.00

Walt Fricke 12-18-2006 05:58 PM

Sal - I can see you are right in your element here.

A packaged Darlington pair? An LM309K-12 as part of the mix? Or do these bump up the cost?

Do I understand that trying to use the stock rheostat as a voltage divider to drive a high current variable voltage source really won't work well because its low resistance means any meaningful division will gobble up too much power? Causing heat in the stock unit we wanted to avoid in the first place?

Walt

Mysterytrain 12-18-2006 07:04 PM

LOL..I need to try to keep up with you guys. It looks like we might be chasing our tail..back on page 3 Warren pointed this kit out to us:

http://www.vellemanusa.com/downloads/0/illustrated/illustrated_assembly_manual_k8004_rev3.pdf

The only issue might be the size and enclosing it but it appears to like a 0 to 35 volt DC control voltage.

scarceller 12-19-2006 06:04 AM

Quote:

Originally posted by Walt Fricke
Sal - I can see you are right in your element here.

A packaged Darlington pair? An LM309K-12 as part of the mix? Or do these bump up the cost?

Do I understand that trying to use the stock rheostat as a voltage divider to drive a high current variable voltage source really won't work well because its low resistance means any meaningful division will gobble up too much power? Causing heat in the stock unit we wanted to avoid in the first place?

Walt

Walt, yes correct you got it! It's the low resistance (5ohms) of the stock dimmer that causes the issue. I think I have an idea that may work to drive the transistor(s) via the stock dimmer and have the dimmer only consume about .5amps not great but acceptable. Or just forget about the stock dimmer and add small potentiometer to the dash, kind of like the wiper delay knob on the 80s cars, my 84 has this wiper delay.

Another idea: since I have a donor headlight switch I may try to mechanicly alter the back side to get access to the shaft then epoxy a longer shaft so it sticks out the back and drive a 10K potentiometer from that shaft. if we can't solve this electricly maybe mechanical is worth looking into.

Mysterytrain 12-19-2006 06:21 AM

As long as we are thinking outside the dash...How is porsche lighting the newer cars? Has the gauge lighting changed? Can we use a switch from another model??

scarceller 12-19-2006 06:28 AM

Quote:

Originally posted by Mysterytrain
LOL..I need to try to keep up with you guys. It looks like we might be chasing our tail..back on page 3 Warren pointed this kit out to us:

http://www.vellemanusa.com/downloads/0/illustrated/illustrated_assembly_manual_k8004_rev3.pdf

The only issue might be the size and enclosing it but it appears to like a 0 to 35 volt DC control voltage.

Ron, thanks for pointing this out, so much on this thread. I just looked at that device again and it seems like it will work but it's rated 6.5A and I think we will be in the 5+amp range for all the bulbs plus the new 5W bulbs to be dimmed.

I went back to some old school books on emitter follower circuits and saw that we could just do this with 2 transistors and a simple 10K potentiometer (less than $5.00) of course the output voltage won't be as regulated as using some of the fancy devices we have looked at, but who cares, it's dash lighting. It won't be any worse than the output we currently get from the stock dimmer. I think trying 3 components to solve this dimmer issue would be very easy to do with a breadboard and the 3 components.

I think that these variable DC modulation devices are overkill for what we want to do. A simple PNP transistor in a to-3 packaging can handle 25amps! you could run your headlights with these! and they cost less than $2.00. Here is a picture of what these transistors look like:

http://forums.pelicanparts.com/uploa...1166538417.jpg

These can be mounted to stock aluminum bar for mounting and heat sink purpose. I think this will work just great.

scarceller 12-19-2006 06:33 AM

Quote:

Originally posted by Mysterytrain
As long as we are thinking outside the dash...How is porsche lighting the newer cars? Has the gauge lighting changed? Can we use a switch from another model??
Ron, good idea to look into alternate approach that still looks stock. What's the specs on the little wiper delay knob? I would not mind another one just like it on the other side of the dash, would still look stock. My guess is the wiper delay knob is just a potentiometer, guess it's worth taking out and measuring.

I also like your idea to ask folks what's in the newer cars?

Also, how important do folks want to keep the stock dimmer? Let us know.

911 in SC 12-19-2006 08:29 PM

Just wanted to update and say that I'm about mid way through this. I don't care about the dimmer, as I NEVER dim my interior lights. I got my bulbs from bulbs.com today, and I already had the wires cut and the tubing cut to length. I have the wires/bulbs in the 'holders' and have them epoxied. Tomorrow I plan on cutting the wires to length, adding the spade connectors and connecting the ground to the holders. Sal, have you come up with a 'depth' at which I should put them in? What's your recommendation on removing the gauges (one at a time, of course!)? Start with the clock as has been mentioned many times, or what? Any insights?

Again, I just wanted to thank everyone that has contributed to this! I know I haven't contributed, but hope to post pics of at least a gauge or two after Christmas!

Thanks again,
Mike

scarceller 12-20-2006 05:45 AM

Quote:

Originally posted by 911 in SC
Just wanted to update and say that I'm about mid way through this. I don't care about the dimmer, as I NEVER dim my interior lights. I got my bulbs from bulbs.com today, and I already had the wires cut and the tubing cut to length. I have the wires/bulbs in the 'holders' and have them epoxied. Tomorrow I plan on cutting the wires to length, adding the spade connectors and connecting the ground to the holders. Sal, have you come up with a 'depth' at which I should put them in? What's your recommendation on removing the gauges (one at a time, of course!)? Start with the clock as has been mentioned many times, or what? Any insights?

Again, I just wanted to thank everyone that has contributed to this! I know I haven't contributed, but hope to post pics of at least a gauge or two after Christmas!

Thanks again,
Mike

Bulb depth: have not calculated this yet but it's simple, when you pull out a stock bulb from any gauge measure the distance from the lip on the stock bulb housing to the tip of the stock bulb, you want to know how deep the tip of the bulb is into the gauge. This becomes your depth, then just measure back from the tip of the new 5W bulbs up onto the copper tubing and mark them. The gauges have extra room inside them so it is possible to put the new bulbs further into the gauge but use common sence.

Removing gauges: I start with the clock because it is the simplist gauge to get out then proceed to take all other gauges out, once the clock is out you can help the other gauges out from the back by putting your hand in the clock opening. Leave the tach in place as the tach is very hard to clear the steering wheel. You can pull the tach bulbs out without removing the tach, you may need to hunt around the back a little by touch but it can be done, or pop the tach out but don't completely remove it. Then trace back the wire harness that supplies power to all the gauge lighting (Black wire with Blue lines) all these wires (8 of them) should meet back at a spade connector that can be unplugged from the main harness. You are going to remove the octupus like wire harness that supplies power to the gauge lighting. Then build a new harness much like the one you removed but place spade connectors at the 8 ends to connect to the new bulbs. You could modify the stock harness but I'd like to keep the stock one and make a new one since it's easy enough. NOTE: you will find more bulbs in some of the gauges for idiot lights, high beams, ... leave this bulbs alone, keep them the 2W stock bulbs, no need to change these out. We are trying to improve the gauge back lighting only.

Good Luck, you are now almost ahead of me.

scarceller 12-20-2006 06:05 AM

http://forums.pelicanparts.com/uploa...1166623019.gif

Last night I prototyped the circuit above with some components I had at home. I used a TIP42 PNP transistor for the bulb drive transistor and a 2n2222 NPN as the smaller controll transistor. You can get these at RadioShack. Then I used a 50K ohm potentiometer for variable controll. This circuit works like a charm! It takes the bulb output from very dim (almost out) to fully on. Only issue is that this is not the final solution because the TIP42 driver is rated for 10Amps but gets very hot at around 5Amps, I also did not have it heat sinked. I need to get a PNP drive transistor that can handle 20mps or so, these are available and I'm researching this now and it looks like a 2N5884 rated at 25A would be a good choice, just need to find one now.

Also, I tried to come up with a controll circuit to front end this that used the stock dimmer but had no such luck. The stock dimmer's resistance is just way to low (5 ohms) I think the best approach is to just use another potentiometer on the dash.

Bottom line is that this simple circuit using 3 components will work just fine for dimming the dash.

911 in SC 12-20-2006 07:36 AM

Sounds good Sal. I was thinking it was as simple as measuring the bulb 'depth' into the gauges. Glad to know I'm thinking 'correctly' this morning. As a side note, I'm getting a Momo Competition steering wheel for Christmas, so that would be a GREAT time to do the tach. I've been waiting this long to do it, I can wait another week or so. I'll post an update or questions as soon as I can...

Mike

84toy 12-20-2006 08:57 AM

Just a thought but has anyone considered heat damage to the inside of the gauge such as paint fade etc?? Do the bigger lights generate enough heat to be a concern?

If one is on and you hold it in your hand, how hot does it get? Just curious about this since it sounds like a great mod......

scarceller 12-20-2006 09:18 AM

Quote:

Originally posted by 84toy
Just a thought but has anyone considered heat damage to the inside of the gauge such as paint fade etc?? Do the bigger lights generate enough heat to be a concern?

If one is on and you hold it in your hand, how hot does it get? Just curious about this since it sounds like a great mod......

I have thought about it and yes it is a risk, for me it's worth a try as I really would like more light in the gauges. The gauges are all metal for the most part and I think the gauge housing will take the brunt of the heat abuse since the bulbs are actually installed here, not very worried about the housing since it's not painted. However, the bulbs are right behing the gauge face(s) and for sure we will transfer heat to them just not sure what the results will be. I suggest we just report observations as we go.

Great question.

Mysterytrain 12-20-2006 07:08 PM

hey ya'll ..I haven't bailed out on this project. I did find something interesting. It appears that the 993 has the dimmer between the fuel and oil temp gauges very much like the wiper delay on the other side. I might have to hang out on the 964/993 board to verify this. Anyway, I found a picture of the dimmer:
http://forums.pelicanparts.com/uploa...1166668758.jpg

Which begs the question..does anyone have a schematic for the 964 and the 993 dash lighting circuit??
I don't have any info yet on this dimmer so I'm not sure if its up to the task of dimming 8 -5 watts lamps. But it seems that one could mount a 10k pot in the dash [very period incorrect] and use the factory dimmer knob.

The pot is 964-618-104-00 $50
The knob is 964-618-012-00 $3

scarceller 12-21-2006 06:33 AM

Ron, nice find on the dimmer switch setup for the 993 cars! I think using a setup like the 993 would be acceptable. I would just order the knob and not the potentiometer. I would go with dimming circuit like this one:
http://forums.pelicanparts.com/uploa...1166710612.gif
I just ordered these transistors from www.newark.com I plan to use a potentiometer somewhere between 5k and 50k ohms, not sure what value yet till I prototype the circuit and test with a 150W head light. The transistor that drives the bulbs (2N5884) is rated for 25A and we won't pull more than 7A by my calculations but I'll prototype and test at 10-12A just to be safe. Now for the good news on parts cost:
2N5884 $3.33
TIP47 $0.40
Pot $3.00
Insulator $1.10 (for TIP47)
Insulator $1.50 (for 2N5884)
Alum. stock $3.00 (to make the mount and heat sink)

I think under $10.00 total cost for building this dimmer.

Once I get the parts I'll update on the results, and of course lots of pictures in my document to show howto assemble the dimmer from the components.

I think I'll just use that 993 knob on the cheap pot (not sure how it mounts but can't be that hard to mount it to the shaft) then place the pot between the oil and fuel gauge.

One last thing: I'm also looking at trying to mount the cheap pot right on the back of the stock headlight switch so that it's shaft is connected to the stock headlight knob. This will of course require modification to the stock headlight switch, but nothing crazzy. I'm thinking of just drilling a hole in the center of the back of the switch with the hope that I can epoxy a shaft extension to the stock internal shaft then once I have the extension sticking out the back of the stock switch I'll mate it to the cheapo potentiometer and mount the pot to the back of the switch. This will mean 100% stock look on the dash! and still use the stock switch to turn the gauge lighting up or down. Nice thing is I have this donor switch from Tom, which by the way turns out to have nothing wrong with it. So Tom if you would like it back after we are all done with say the pot mounted on the back (Hint hint) let me know.

Thanks to everyone for all the good work here.

911 in SC 12-21-2006 08:24 AM

Couple of notes and a question -

First, the factory bulb depth is 1". That said, the 5W Xenon bulb depth(glass part) is also 1". If I had not assembled the bulbs, I would 'notch out' the front of the holders and slide the bulbs into the notches before gluing them together. This would enable the holders (sleeves, etc.) to slide into the gauge more, and not rely on the bulb as the only contact.

Sal, I borrowed a pic from you and modified it in an attempt to explain what I was trying to say:

http://forums.pelicanparts.com/uploa...1166718552.jpg

Also, Sal, did you splice the factory wire and put the female connector on the wire to connect to the bulb? I tried several times to separate the inside to slide the male 'spade' into the factory connector but couldn't. If you didn't splice them, what's the trick to the factory connector?

Thanks,
Mike

scarceller 12-21-2006 09:57 AM

Quote:

Originally posted by 911 in SC
Couple of notes and a question -

First, the factory bulb depth is 1". That said, the 5W Xenon bulb depth(glass part) is also 1". If I had not assembled the bulbs, I would 'notch out' the front of the holders and slide the bulbs into the notches before gluing them together. This would enable the holders (sleeves, etc.) to slide into the gauge more, and not rely on the bulb as the only contact.

Sal, I borrowed a pic from you and modified it in an attempt to explain what I was trying to say:

http://forums.pelicanparts.com/uploa...1166718552.jpg

Also, Sal, did you splice the factory wire and put the female connector on the wire to connect to the bulb? I tried several times to separate the inside to slide the male 'spade' into the factory connector but couldn't. If you didn't splice them, what's the trick to the factory connector?

Thanks,
Mike

Mike,
I had not checked the depth yet, but good idea to notch the copper tube. I also think you may want to slip the bulbs further in than the stock ones, question is how much further? I guess you could slip a pencil (eraser end) into the gauge hole to see how far you can go then back up 1/4" or so. Would have to try it. Also keep in mind that the copper MUST contact the gauge metal for obtaining the ground connection. From what you are saying, I think we will most likely end up inserting the bulbs further than the stock ones.

As for the factory wiring, not sure what you mean? I was thinking of removing the factory wire harness that has all the stock bulb holders on the ends and make a new harness with the female spades on the ends. Maybe we should chat via phone. I'll PM you my number.


All times are GMT -8. The time now is 04:43 AM.

Powered by vBulletin® Version 3.8.7
Copyright ©2000 - 2025, vBulletin Solutions, Inc.
Search Engine Optimization by vBSEO 3.6.0
Copyright 2025 Pelican Parts, LLC - Posts may be archived for display on the Pelican Parts Website


DTO Garage Plus vBulletin Plugins by Drive Thru Online, Inc.