Pelican Parts
Parts Catalog Accessories Catalog How To Articles Tech Forums
Call Pelican Parts at 888-280-7799
Shopping Cart Cart | Project List | Order Status | Help



Go Back   Pelican Parts Forums > Porsche Forums > Boxster & Cayman Forum


Reply
 
LinkBack Thread Tools
Author
Thread Post New Thread    Reply
Registered User
 
Join Date: Sep 2011
Location: Australia
Posts: 9
Garage
Send a message via Skype™ to hassa
Water in Boxster Tiptronic 97

Hi have 97 Boxster with Tiptronic,recently purchased.Dropped pan and found signs of water in tiptronic.Wondering would cause of this be leak in radiator units in front of car or could there be another inlet.Planning on removing radiators to have them tested.Cheers

Old 09-14-2011, 03:18 AM
  Pelican Parts Catalog | Tech Articles | Promos & Specials    Reply With Quote #1 (permalink)
Registered User
 
Join Date: Jan 2011
Posts: 131
I think the Tiptronic has a heat exchanger very much like an oil cooler and there can be an intermix of coolant and Tip fluid if the O-ring seals at the plumbing connections go bad. There was a long thread about this on one of the Boxster forums and I don't know how the guy resolved it. Apparently fixing the O-rings was a piece of cake but flushing the fluid to remove the contamination was a big problem.

Here's a link to the thread on the other forum.

http://www.renntech.org/forums/topic/39139-tiptronic-transmission-service/page__p__206864__hl__intermix__fromsearch__1#entry 206864

Last edited by Dale_K; 09-14-2011 at 12:44 PM..
Old 09-14-2011, 12:41 PM
  Pelican Parts Catalog | Tech Articles | Promos & Specials    Reply With Quote #2 (permalink)
Registered
 
JFP in PA's Avatar
 
Join Date: Aug 2010
Location: Earth.............
Posts: 2,895
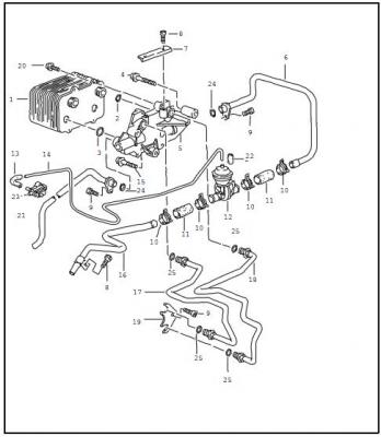
I was one of the contributors to that post; Dale is correct, coolant runs back to the transmission where a heat exchanger much like your oil cooler:

[IMG]http://www.*****************/uploads/images/product/Gearbox_parts/99630701701.jpg[/IMG]

This unit has both engine coolant and ATF flowing through it to get rid of the heat from the transmission. Unfortunately, the cooler and lines are crammed into a very restricted space, making working on it all the more fun:








The major issue the other poster had to deal with was flushing the contaminated ATF out of the torque converter, which does not drain when the pan is pulled.
__________________
Accrochez-vous bien de vos rêves..........."
Old 09-14-2011, 01:16 PM
  Pelican Parts Catalog | Tech Articles | Promos & Specials    Reply With Quote #3 (permalink)
Registered User
 
Join Date: Sep 2011
Location: Australia
Posts: 9
Garage
Send a message via Skype™ to hassa
Thank's heaps for all input.Will leave radiators alone and focus on heat exchange.Plan to pump and flush new fluid through transmission will be expense but i suppose so is a new Tiptronic.Thank's again.Great forum.

Old 09-14-2011, 02:08 PM
  Pelican Parts Catalog | Tech Articles | Promos & Specials    Reply With Quote #4 (permalink)
Reply


 


All times are GMT -8. The time now is 11:58 PM.


 
Powered by vBulletin® Version 3.8.7
Copyright ©2000 - 2026, vBulletin Solutions, Inc.
Search Engine Optimization by vBSEO 3.6.0
Copyright 2025 Pelican Parts, LLC - Posts may be archived for display on the Pelican Parts Website -    DMCA Registered Agent Contact Page
 

DTO Garage Plus vBulletin Plugins by Drive Thru Online, Inc.