Pelican Parts
Parts Catalog Accessories Catalog How To Articles Tech Forums
Call Pelican Parts at 888-280-7799
Shopping Cart Cart | Project List | Order Status | Help



Go Back   Pelican Parts Forums > Porsche Forums > Porsche 911 Technical Forum


Reply
 
LinkBack Thread Tools Rate Thread
Author
Thread Post New Thread    Reply
CJ CJ is offline
Registered
 
CJ's Avatar
 
Join Date: May 2001
Location: Northfield, Illinois
Posts: 118
Need exploded view!

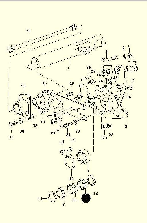
Can anyone post an exploded view of the rear hub/wheel bearing/control arm assembly for an 87' Carrera?

__________________
Chris Johnson
87' 3.4 Carrera
73' 911t restoration project
Old 04-08-2003, 11:01 AM
  Pelican Parts Catalog | Tech Articles | Promos & Specials    Reply With Quote #1 (permalink)
Registered
 
HarryD's Avatar
 
Join Date: May 2002
Location: Portland, Oregon
Posts: 12,676
Do you mean something like this?

__________________
Harry
1970 VW Sunroof Bus - "The Magic Bus"
1971 Jaguar XKE 2+2 V12 Coupe - {insert name here}
1973.5 911T Targa - "Smokey"
2020 MB E350 4Matic
Old 04-08-2003, 11:13 AM
  Pelican Parts Catalog | Tech Articles | Promos & Specials    Reply With Quote #2 (permalink)
CJ CJ is offline
Registered
 
CJ's Avatar
 
Join Date: May 2001
Location: Northfield, Illinois
Posts: 118
Very nice!!!! What part number(s) on the diagram are the rear bearings? I see no hub in this view, is it in another diagram? Thank you for this great reply!!!
__________________
Chris Johnson
87' 3.4 Carrera
73' 911t restoration project
Old 04-08-2003, 12:30 PM
  Pelican Parts Catalog | Tech Articles | Promos & Specials    Reply With Quote #3 (permalink)
Registered
 
derek murray's Avatar
 
Join Date: Feb 2002
Location: Winterpeg, Canada
Posts: 962
Garage
Do you mean #8 and #9?

#8 - 999 059 056 00
#9 - 999 059 047 00
__________________
'70 911S 1002938
'70 Ducati Mark 3D 350
Old 04-08-2003, 03:14 PM
  Pelican Parts Catalog | Tech Articles | Promos & Specials    Reply With Quote #4 (permalink)
Registered
 
HarryD's Avatar
 
Join Date: May 2002
Location: Portland, Oregon
Posts: 12,676
Here's a section of the parts list to help you out.

__________________
Harry
1970 VW Sunroof Bus - "The Magic Bus"
1971 Jaguar XKE 2+2 V12 Coupe - {insert name here}
1973.5 911T Targa - "Smokey"
2020 MB E350 4Matic
Old 04-08-2003, 03:49 PM
  Pelican Parts Catalog | Tech Articles | Promos & Specials    Reply With Quote #5 (permalink)
CJ CJ is offline
Registered
 
CJ's Avatar
 
Join Date: May 2001
Location: Northfield, Illinois
Posts: 118
This board is great, problem solved! Thanks for the info!

__________________
Chris Johnson
87' 3.4 Carrera
73' 911t restoration project
Old 04-09-2003, 08:12 AM
  Pelican Parts Catalog | Tech Articles | Promos & Specials    Reply With Quote #6 (permalink)
 
Reply


 


All times are GMT -8. The time now is 04:12 PM.


 
Powered by vBulletin® Version 3.8.7
Copyright ©2000 - 2025, vBulletin Solutions, Inc.
Search Engine Optimization by vBSEO 3.6.0
Copyright 2025 Pelican Parts, LLC - Posts may be archived for display on the Pelican Parts Website -    DMCA Registered Agent Contact Page
 

DTO Garage Plus vBulletin Plugins by Drive Thru Online, Inc.