Pelican Parts
Parts Catalog Accessories Catalog How To Articles Tech Forums
Call Pelican Parts at 888-280-7799
Shopping Cart Cart | Project List | Order Status | Help



Go Back   Pelican Parts Forums > Porsche Forums > Porsche 928 Technical Forum


Reply
 
LinkBack Thread Tools Rate Thread
Author
Thread Post New Thread    Reply
Registered User
 
DZGunner's Avatar
 
Join Date: Jun 2012
Location: Montana
Posts: 199
Instrument cluster

Hey guys, I've been doing a lot of electrical work on my car, mainly undoing all the splicing and pure retardation that the last guy did. however i still haven't been able to get my instrument cluster warning lights to light up when i put the key in, basically a test to show they work. Is there a specific component or area i should be looking in to see why the start up check lights wont turn on? I've pulled the cluster before and replaced all the lights with LED's. I refered to wiring diagrams and just common sense to put the LEDs in the correct way, so I'm certain it Isn't the LEDs being backwards.

does anyone else's not do this?

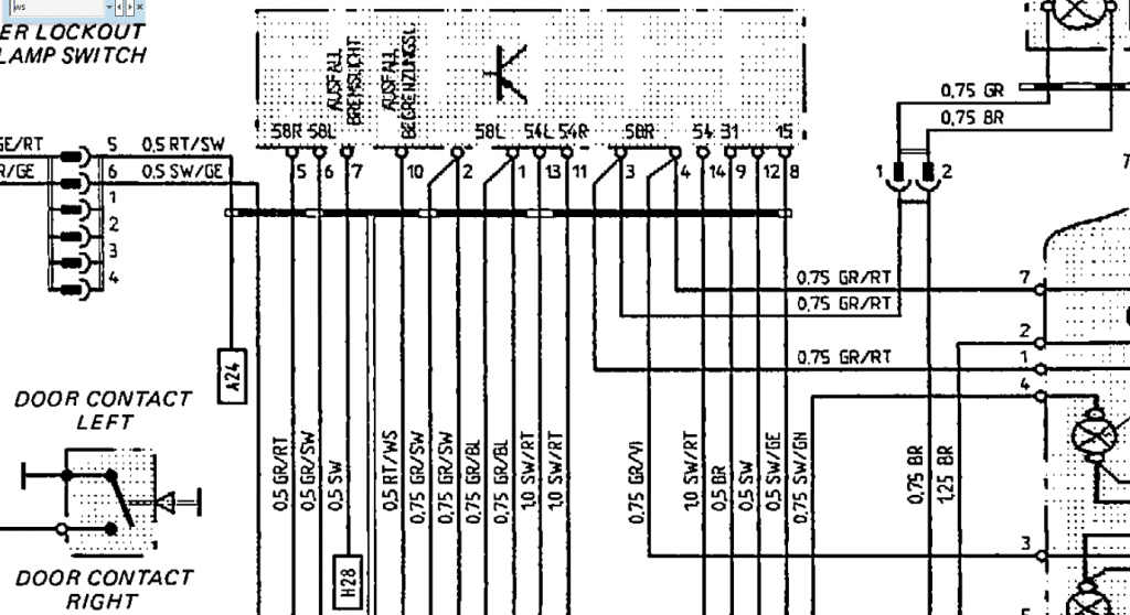
Also, for the moment I'm working on the VDO bulb checking unit. Someone before me had it break i guess, so they decided to take all the wires out of the connector and splice them together and ball it up in electrical tape instead of just replacing the $25 unit... so right now I'm trying to fix it and put all the wires in the correct connector position. Would anyone be willing to help me find where or how i can identify a few certain wires. to be specific, there are 3 black and red wires in slots 11, 13, and 14.

I cant tell which one goes where.

1987 S4


this is the diagram i'm looking at:




This is the cluster i was talking about, that connects to the VDO check unit:


Old 12-07-2012, 10:16 PM
  Pelican Parts Catalog | Tech Articles | Promos & Specials    Reply With Quote #1 (permalink)
Registered User
 
dlbass93's Avatar
 
Join Date: Dec 2012
Location: Andalusia, Alabama
Posts: 44
Garage
If you are still working on this light checking unit, if my '88 is close enough, I will take some pictures of the wires on mine if that will help you out. I am about to have all of the dash out, so PM me if seeing what mine looks like will help.
Old 01-05-2013, 06:56 PM
  Pelican Parts Catalog | Tech Articles | Promos & Specials    Reply With Quote #2 (permalink)
Registered
 
harborman's Avatar
 
Join Date: Dec 2009
Location: SW MIchigan
Posts: 2,236
Garage
I have an 86 928S.

On my car the bulb checking unit is in a pod behind the drivers side foot rest, next to fender on inside of the car. On my right, passenger side, next to the seat under that pod is the radio amp.

__________________
1986 928S
32 valve engine
All stock, automatic, 539 Weissgold Metallic, 70K original miles, Hankook Ventus 2 tires.
Previously owned: 67 Vette, 427 L88 Stingray, 74 De Tomaso Pantera L. Latest addition: 2000 BMW Z3 Roadster
Old 01-06-2013, 10:50 AM
  Pelican Parts Catalog | Tech Articles | Promos & Specials    Reply With Quote #3 (permalink)
Reply


 


All times are GMT -8. The time now is 11:33 PM.


 
Powered by vBulletin® Version 3.8.7
Copyright ©2000 - 2025, vBulletin Solutions, Inc.
Search Engine Optimization by vBSEO 3.6.0
Copyright 2025 Pelican Parts, LLC - Posts may be archived for display on the Pelican Parts Website -    DMCA Registered Agent Contact Page
 

DTO Garage Plus vBulletin Plugins by Drive Thru Online, Inc.