Pelican Parts
Parts Catalog Accessories Catalog How To Articles Tech Forums
Call Pelican Parts at 888-280-7799
Shopping Cart Cart | Project List | Order Status | Help



Go Back   Pelican Parts Forums > Porsche Forums > Porsche 911 Technical Forum


Reply
 
LinkBack Thread Tools Rate Thread
Author
Thread Post New Thread    Reply
Administrator
 
Jack Olsen's Avatar
 
Join Date: Feb 2000
Location: Los Angeles
Posts: 13,334
Crazy to try this -- or crazy not to try this?

I did an odd little project during the kids' nap today. My exhaust is off of the 911 because I had a chain tensioner fail (the chain did NOT jump, fortunately) and have been waiting for the parts to come in for the fix. In addition to the muffler, the air duct that runs around the rear-most part of the engine, just above the muffler, came off to make it easier to get to the chain box.

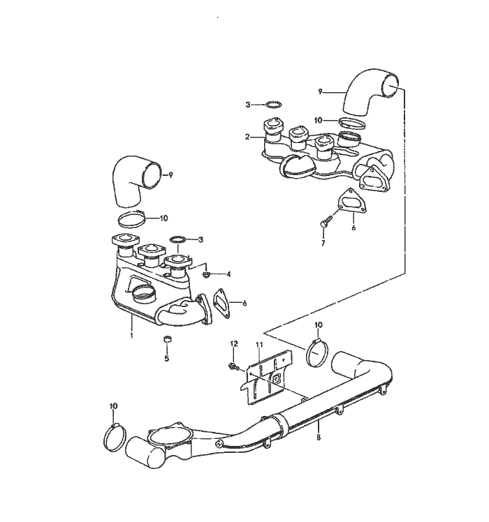
If you don't know the 993, here it is in a diagram. The part that's bugging me is #8 in this exploded diagram. It's made of cast aluminum and -- being a Porsche part -- it currently costs $871.



But the price isn't the thing that makes me crazy. 'Cause I've already got it. But...

It weighs a lot.

And its location (in the very, very back of the car) makes that weight even worse. Granted, this is partly racer's anorexia. But the thing is 8 pounds 13-1/2 ounces.



That's a lot to lose, if I could get rid of it. And because my 1972 911 doesn't run the catalytic converters that were in that general location for the 993, a replacement wouldn't need to be as durable as the original.

Please note: I am never put off by the idea of throwing Home Depot parts into my car. They ought to sponsor me, darn it.

So I went down and picked out a very lightweight combination of galvanized steel and aluminum ducting. Even with the high-temp adhesive and rivets holding the pieces together, the new weight was MUCH lower.



7 pounds 8 ounces lighter, to be exact.

The whole assembly I put together is 1 pound 5.5 ounces.

Does my part look as good as the factory original? No. Is it as stout as the factory original? No way; I think I could poke a finger right through it. Will it work, though? I think so. It's not exposed to much at all other than vibration and heat, since it's sheltered between the engine sheet metal and my muffler. It should be plenty heat resistant, by my estimation. And a steady vibration shouldn't do much to it.

But does anyone know the specific function of the heat shield (#11) in the diagram?

Here are the two set next to each other, now with some paint on my version of the part.





Am I stupid to try this? I don't see why Porsche made the thing has heavy as they did. If it can be replaced with lightweight ducting, then I'd like to do that.

I test fitted it, and it tucks away easily up above my Manaflow.


Old 03-09-2014, 05:21 PM
  Pelican Parts Catalog | Tech Articles | Promos & Specials    Reply With Quote #1 (permalink)
Registered
 
Justin@Athens's Avatar
 
Join Date: Jun 2009
Location: Athens, GA
Posts: 1,206
Garage
Send a message via AIM to Justin@Athens
Hmm . I go to Lowes myself, but is that heat shield not just extra shielding for the timing chain cover area?
__________________
1990 964 C4 Coupe & 1991 964 C2 Coupe (current)
1989 911 Targa (sold)
1996 993 Cab. (sold)
1999 x2 Boxster (sold)
2006 Cayman S (my daily)
Old 03-09-2014, 05:41 PM
  Pelican Parts Catalog | Tech Articles | Promos & Specials    Reply With Quote #2 (permalink)
Registered
 
bgyglfr's Avatar
 
Join Date: Aug 2009
Location: Illinois
Posts: 1,653
Crazy to try this -- or crazy not to try this?

Cool idea. If it ends up not holding up, you could always take your prototype to the local muffler shop and have them bend some material for you. You could probably even have the heat shield incorporated to that as well.
__________________
70T 2.7RS spec.
68L coupe

Last edited by bgyglfr; 03-09-2014 at 05:59 PM..
Old 03-09-2014, 05:47 PM
  Pelican Parts Catalog | Tech Articles | Promos & Specials    Reply With Quote #3 (permalink)
Chain fence eating turbo
 
Join Date: Dec 2008
Location: Austin, TX
Posts: 9,142
Totally what I'd do.
Old 03-09-2014, 05:53 PM
  Pelican Parts Catalog | Tech Articles | Promos & Specials    Reply With Quote #4 (permalink)
Registered
 
HawgRyder's Avatar
 
Join Date: Feb 2002
Location: Langley, BC Canada
Posts: 2,865
Garage
Send a message via ICQ to HawgRyder
If heat becomes a problem with your design...you might try PEET tubing from the aircraft industry.
It is some type of flexible silicon based stuff...good for more than 450F I think.
Bob
__________________
Bob Hutson
Old 03-09-2014, 05:55 PM
  Pelican Parts Catalog | Tech Articles | Promos & Specials    Reply With Quote #5 (permalink)
Registered
 
porsche930dude's Avatar
 
Join Date: Sep 2006
Location: NY
Posts: 7,559
Garage
hey if its tucked up in there and you cant see it then great. I just wouldnt want people looking at it and saying what the hell is that. But if its hidden then no problem. I used those rubber tubing pipes that are for routing your exhaust fumes under the garage door for my heat ducting. Works great. Looks like you could have even stretched that pipe more to save even more weight. Did you use high temp tape? Foil tape is best for that kind of piping. especially if its gonna get hot
__________________
82 SC , 72 914
Old 03-09-2014, 06:05 PM
  Pelican Parts Catalog | Tech Articles | Promos & Specials    Reply With Quote #6 (permalink)
 
Sports Purpose 911 Driver
 
mjshira's Avatar
 
Join Date: Mar 2002
Location: La Jolla, CA
Posts: 4,368
wondering if that set up can handle the heat. have to imagine Porsche made the part as thick as it is for a reason?
__________________
James Shira R Gruppe # 271
1972 911 Coupe 3.8 RS ‘nbr two’
1972 911 Coupe 3.2 TwinPlug MFI 'Tangerina-Jolie'
1955 356 Pre A Coupe ‘old red’
1956 356A Emory speedster build in progress
Old 03-09-2014, 06:23 PM
  Pelican Parts Catalog | Tech Articles | Promos & Specials    Reply With Quote #7 (permalink)
Administrator
 
Jack Olsen's Avatar
 
Join Date: Feb 2000
Location: Los Angeles
Posts: 13,334
Thanks for the input. I'll take a look at what that shield is doing. I can pretty easily make a mount for it independent of the duct.

mjshira, in the stock configuration there was a LOT of heat, since the dual cats were there. But I don't run cats. And my thinking is that aluminum's melting point is pretty high, no matter what its thickness is. We'll see.
Old 03-09-2014, 06:49 PM
  Pelican Parts Catalog | Tech Articles | Promos & Specials    Reply With Quote #8 (permalink)
Sports Purpose 911 Driver
 
mjshira's Avatar
 
Join Date: Mar 2002
Location: La Jolla, CA
Posts: 4,368
Cool. Good luck Jack.
__________________
James Shira R Gruppe # 271
1972 911 Coupe 3.8 RS ‘nbr two’
1972 911 Coupe 3.2 TwinPlug MFI 'Tangerina-Jolie'
1955 356 Pre A Coupe ‘old red’
1956 356A Emory speedster build in progress
Old 03-09-2014, 07:57 PM
  Pelican Parts Catalog | Tech Articles | Promos & Specials    Reply With Quote #9 (permalink)
Administrator
 
Jack Olsen's Avatar
 
Join Date: Feb 2000
Location: Los Angeles
Posts: 13,334
Thanks, guys.

The project brings up a question I don't have an answer for. I've always believed that there were two reasons for air circulating through the heat exchangers. One (of course) is heat, but the other is that there's a supplemental cooling effect from the air that's going through. I mean, the thing is set up so that there's air being blown through the exchangers when the heat and the real blower are shut off -- with the hot air spilling out of the heater valves. And I believe there was a certain temperature where the computer would turn on the heater blower when the engine was hot enough. I assume this means that it wouldn't be a good idea to simply remove all this stuff -- or to simplify it so that I was only feeding one exchanger and only heating on the driver side.

Does anyone know if I'm right about this? I know some guys run swapped engines without heat at all, and I've always suspected that they might be paying a price in terms of cylinder head temps or even engine oil temps.
Old 03-09-2014, 07:59 PM
  Pelican Parts Catalog | Tech Articles | Promos & Specials    Reply With Quote #10 (permalink)
El Duderino
 
tirwin's Avatar
 
Join Date: Feb 2011
Location: The Forgotten Coast
Posts: 5,843
Garage
Jack,

You're probably aware of these guys already but I thought I'd post a link. I just bought the SCAT ducting and some clamps from them to replace my ducting in my '83.

Pilot Supplies and Aircraft Parts from Aircraft Spruce

SCAT can withstand temps "greater than 550°F". I guess the question is... Is that good enough?
__________________
There are those who call me... Tim
'83 911 SC 3.0 coupe (NA)

You can't buy happiness, but you can buy car parts which is kind of the same thing.
Old 03-09-2014, 09:33 PM
  Pelican Parts Catalog | Tech Articles | Promos & Specials    Reply With Quote #11 (permalink)
Administrator
 
Jack Olsen's Avatar
 
Join Date: Feb 2000
Location: Los Angeles
Posts: 13,334
The adhesive I used says it's good to 2,000°. Aluminum's melting point is 1,221°. In fact, the lowest melting point I can find for any aluminum alloy (admittedly, only from Googling it) is 720°. I would think the paint on my fiberglass bumper would have problems at a lower temperature than that?

Next time I've got the muffler very hot, I'll try to hit it with the IR thermometer.
Old 03-09-2014, 09:45 PM
  Pelican Parts Catalog | Tech Articles | Promos & Specials    Reply With Quote #12 (permalink)
 
66 911 #302694
 
Arctic Rat's Avatar
 
Join Date: Sep 2007
Location: Massachusetts Berkshires
Posts: 274
I suspect the aluminum mass of the original piece helped to scavange some additional heat from the muffler dirrectly under it to kind of "pre-heat" the air before going into the heat exchanger to "heat up" that is after all your cabin heating system correct? Might provide a more even heating of the air after you drive "x" amountof miles and heat up the muffler and cast aluminum piece. OR it could just be an over engineered P.O.S who knows
__________________
My life is not a journey to the grave, with the intent of arriving safely in a pretty, well preserved body, but rather I will skid in broadside, thoroughly used up, totally worn out, and loudly proclaim .....
WOW WHAT A RIDE!!!!!!! reaperwear
Old 03-10-2014, 08:30 AM
  Pelican Parts Catalog | Tech Articles | Promos & Specials    Reply With Quote #13 (permalink)
Straight shooter
 
Lapkritis's Avatar
 
Join Date: Sep 2012
Location: Vilnius
Posts: 3,088
Garage
Quote:
Originally Posted by Arctic Rat View Post
... OR it could just be an over engineered P.O.S who knows
Ding!
__________________
“Of the value traps, the most widespread and pernicious is value rigidity. This is an inability to revalue what one sees because of commitment to previous values. In motorcycle maintenance, you MUST rediscover what you do as you go. Rigid values makes this impossible.”
― Robert M. Pirsig, Zen and the Art of Motorcycle Maintenance: An Inquiry Into Values
Old 03-10-2014, 08:46 AM
  Pelican Parts Catalog | Tech Articles | Promos & Specials    Reply With Quote #14 (permalink)
7.0:1 > 11.3:1 > 7.0:1
 
Join Date: Oct 2003
Location: Calgary
Posts: 2,543
Garage
Jack, best as I can tell that heat shield protects the chain case cover (rubber gasket) from baking due to being very close the cat converter. Remember that the right bank of cylinders and chain case sit farther rearward than the left bank of cyl.

The cast alum crossover mates directly onto the cat converter along it's entire length. My observation is this was done because the 993 heat exchangers are far shorter than the earlier 964 and Carrera models so added heat was drawn from the cat converter.

The heat fan operation - god knows whats going on. The electric fan in the engine bay draws outside air through the engine grill and the dump valves discharge below the engine sound tray so I doubt the system has anything to do with cyl head temp. Recall how the heater valves on the older cars all vented to atmosphere when there is no demand for cabin heat, essentially the same as the dump valves under the 993 sound tray. With EGTs running 1000F+ while cruising and 1500F+ at wide open throttle the headers are cherry red inside the exchanger housings. I suppose without a constant flow of air through the exchangers a demand for heat would get the driver jumping about if they had a 1500F slug of air come out the heater vents.
Old 03-10-2014, 09:14 AM
  Pelican Parts Catalog | Tech Articles | Promos & Specials    Reply With Quote #15 (permalink)
Registered
 
scarceller's Avatar
 
Join Date: Oct 2006
Location: Southern MA
Posts: 3,976
Garage
Quote:
Originally Posted by Jack Olsen View Post
Thanks, guys.

The project brings up a question I don't have an answer for. I've always believed that there were two reasons for air circulating through the heat exchangers. One (of course) is heat, but the other is that there's a supplemental cooling effect from the air that's going through. I mean, the thing is set up so that there's air being blown through the exchangers when the heat and the real blower are shut off -- with the hot air spilling out of the heater valves. And I believe there was a certain temperature where the computer would turn on the heater blower when the engine was hot enough. I assume this means that it wouldn't be a good idea to simply remove all this stuff -- or to simplify it so that I was only feeding one exchanger and only heating on the driver side.

Does anyone know if I'm right about this? I know some guys run swapped engines without heat at all, and I've always suspected that they might be paying a price in terms of cylinder head temps or even engine oil temps.
Yes the heat exchangers do provide extra cooling even when not using the heat. When heat is off the heat flapper valves dump the extra heat just above the front of the transmission. The 84-89 cars have a heater control relay that actually activates the rear blower if engine temp goes above a threshold. This causes a lot of cooler air to circulate through the exchangers and help cool the bottom of the engine. So you are 100% correct to leave this feature in place.

Even the earlier cars always had air flow through the exchangers, this was provided air from the main engine fan.
__________________
Sal
1984 911 Carrera Cab M491 (Factory Wide Body)
1975 911S Targa (SOLD)
1964 356SC (SOLD)
1987 Ford Mustang LX 5.0 Convertible
Old 03-10-2014, 10:04 AM
  Pelican Parts Catalog | Tech Articles | Promos & Specials    Reply With Quote #16 (permalink)
Caveman Hammer Mechanic
 
ClickClickBoom's Avatar
 
Join Date: Feb 2009
Location: Boulder Creek CA
Posts: 3,444
Garage
The 64K question, why would the good Dr's engineers design such a piece? Determine the reason and the answer is close. I would be reluctant to change anything to do with cooling airflow without solid reasoning. One of the problems with the heat exchanger system is that the exhaust is shielded and unable to cool itself, hence the airflow through the tube you so want to reduce in weight. Almost every corrosion resistant material becomes reactive at elevated temps, stainless, Ti ect. Why not extrude hone the tube to reduce the weight?
__________________
1984 Carrera El Chupacabra
1974 Toyota FJ40 Turbo Diesel
"Easy, easy, this car is just the right amount of chitty"
"America is all about speed. Hot,nasty, bad ass speed."
Eleanor Roosevelt, 1936
Old 03-10-2014, 10:16 AM
  Pelican Parts Catalog | Tech Articles | Promos & Specials    Reply With Quote #17 (permalink)
abit off center
 
cgarr's Avatar
 
Join Date: Feb 2002
Location: At the Airport Kentwood, MI
Posts: 7,311
Garage
Send a message via Yahoo to cgarr
Quote:
Originally Posted by tirwin View Post
Pilot Supplies and Aircraft Parts from Aircraft Spruce

SCAT can withstand temps "greater than 550°F". I guess the question is... Is that good enough?

I use a lot of this stuff both cars and plane pricy but works.
__________________
______________________
Craig
G2Performance
Twinplug, head work, case savers, rockers arms, etc.
Old 03-10-2014, 11:02 AM
  Pelican Parts Catalog | Tech Articles | Promos & Specials    Reply With Quote #18 (permalink)
Registered
 
Elombard's Avatar
 
Join Date: Jul 2002
Location: Atlanta
Posts: 7,125
I would consider getting an exhaust pipe 2.5" "Y" and plumb it with the scat tubing. Actually the "Y" from a 3.2 heater might work there? I like your solution but I am not sure it will hold together?

Or You could do the hidden heat trick where you plumb off the engine tin at the front of the motor?

I think the heavy factory piece is one of those compromises that Porsche had to make for a luxury sports car and you will have minimal issues losing it.
__________________
erik.lombard@gmail.com
1994 Lotus Esprit S4 - interesting!
84 lime green back date (LWB 911R) SOLD
RSR look hot rod, based on 75' SOLD
73 911t 3.0SC Hot rod Gulf Blue - Sold.
Old 03-10-2014, 02:11 PM
  Pelican Parts Catalog | Tech Articles | Promos & Specials    Reply With Quote #19 (permalink)
Registered
 
GaryR's Avatar
 
Join Date: Mar 2005
Location: Valencia, Spain
Posts: 4,848
Garage
Send a message via ICQ to GaryR
Dump the whole mess and put headers on it!

__________________
Gary R.
Old 03-10-2014, 02:21 PM
  Pelican Parts Catalog | Tech Articles | Promos & Specials    Reply With Quote #20 (permalink)
Reply


 


All times are GMT -8. The time now is 07:29 PM.


 
Powered by vBulletin® Version 3.8.7
Copyright ©2000 - 2025, vBulletin Solutions, Inc.
Search Engine Optimization by vBSEO 3.6.0
Copyright 2025 Pelican Parts, LLC - Posts may be archived for display on the Pelican Parts Website -    DMCA Registered Agent Contact Page
 

DTO Garage Plus vBulletin Plugins by Drive Thru Online, Inc.